This is another big robot using some power wheelchair motors, and was outfitted with a pan/tilt camera so it can be operated from a base-station without being able to see it directly.
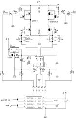
This bot also has a custom high-powered H-bridge with current-sense capability, that I named the 2x4. For more information about the 2x4 motor controller, click here.
This bot was featured on the cover of my book Arduino Robotics and is described in more detail in chapter 8. Control was originally designed to use a standard R/C system, but was also configured to use a pair of Xbees that allowed control from a PC in chapter 13.
The parts list of this bot are as follows:
2.4ghz R/C system - Hobbypartz.com $40
(2) power wheelchair motors with wheels - ebay.com $150
front caster wheel - Harbor Freight Tools $15
2x4 motor controller - homemade $60
Arduino - Sparkfun.com $35
(2) servo motors - Hobbypartz.com $10
2.4ghz wireless camera with night-vision - Sparkfun.com $70
6' of 3/4" angle-iron - Home Depot $15
(2) 12v 7.5Ah SLA batteries - Batteries Plus $75
Here is a video of the bot driving around in my back yard:



















